¸½ºß¡¢°ì»þŪ¤ÊʪÎ̤ÎÁý²Ã¤Ëȼ¤¤¡¢¤ª²Ùʪ¤Î¤ªÆÏ¤±¤ËÃٱ䤬ȯÀ¸¤·¤Æ¤ª¤ê¤Þ¤¹¡£
¤´Ãíʸ¤ÎºÝ¤Ï¡¢Í¾Íµ¤ò¤â¤Ã¤Æ¤´ÍøÍѤ¯¤À¤µ¤¤¤Þ¤¹¤è¤¦¤ª´ê¤¤¿½¤·¾å¤²¤Þ¤¹¡£
¾¦Éʹç·×¶â³Û¤¬2Ëü±ß°Ê¾å¤ÇÁ÷ÎÁ̵ÎÁ
¡ÊË̳¤Æ»Æâ¡¦²ÆìËÜÅç¤Ï½ü¤¯¡¢²ÆìËÜÅç¼þÊÕ¡¦Î¥Åç¤Ë¤Ä¤¤¤Æ¤ÏÊÌÅÓ¡Ë
PRICE DOWN MAX 63%OFF
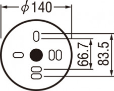
ODELIC ¥ª¡¼¥Ç¥ê¥Ã¥¯ ¥Ð¥¹¥ë¡¼¥à¥é¥¤¥È OW269023
¡¡
¸÷¸»
LED
¤½¤Î¾
¥é¥ó¥×ÉÕ
¼èÉÕÊýË¡
 | ¡Ú¼èÉդˤϡ¢ÀìÌç²È¤Ë¤è¤ëÅŵ¤¹©»ö¤¬É¬ÍפǤ¹¡Û
¼èÉդϡÖÅŵ¤¹©»ö»Î¡×¤ÎÍ»ñ³Ê¼Ô¤Ë¤´°ÍÍ꤯¤À¤µ¤¤¡£
¢¨³«º¸å¡¢¼èÉÕ¤¬¤Ç¤¤Ê¤¤¤Ê¤É¤ªµÒÍÍÅÔ¹ç¤Ë¤è¤ëÊÖÉÊ¡¦¸ò´¹¤Ï¤ª¼õ¤±¤Ç¤¤Þ¤»¤ó¡£
¤´ÉÔÌÀ¤ÊÅÀ¤Ï»öÁ°¤Ë¤ªÌ䤤¹ç¤ï¤»¤¯¤À¤µ¤¤¡£ |
´ØÏ¢¾¦ÉÊ
¤ª¸«ÀѤê¥Õ¥©¡¼¥à
¢£ ¿ôÎ̤ΤޤȤޤ俤´Ãíʸ¤ò¤´Í½Äê¤Î¾ì¹ç¤ä¡¢¾¦ÉʰìÍ÷¤Ë·ÇºÜ¤µ¤ì¤Æ¤¤¤Ê¤¤¾¦Éʤò¤´´õ˾¤Î¾ì¹ç¤Ï¸ÄÊ̤ˤª¸«ÀѤê¤ò¤µ¤»¤Æ¤¤¤¿¤À¤¤Þ¤¹¡£
Âç¸÷Åŵ¡¾¦ÉʸÂÄꡧ¨ÆüȯÁ÷
²¼µ¡¡Á¤¤Î¾ò·ï¤òÁ´¤ÆËþ¤¿¤¹¤´Ãíʸ¤Ë¤Ä¤¤¤Æ¤Ï¡¢Âç¸÷Åŵ¡¡ÊDAIKO¡Ë¤ÎÂçºåÁҸˤ«¤é¡¢¤´Ãíʸ¤Î¤½¤ÎÆü¤Ë¡¢Â¨ÆüȯÁ÷¤¤¤¿¤·¤Þ¤¹¡£
Î㳰Ū¤Ë¡¢¤´ÃíʸÆü¤«¤é¡Ú£±±Ä¶ÈÆü¡Û¤Ç¤Î¤ªÆÏ¤±¤È¤Ê¤ê¤Þ¤¹¡£
¤ªµÞ¤®¤ÎÊý¡¢¤É¤¦¤¾¤´ÍøÍѤ¯¤À¤µ¤¤¡ª
¡¡¡ ¤´ÃíʸÆâÍÆ¤¬Âç¸÷Åŵ¡¤Î¾¦ÉʤΤߤǹ½À®¤µ¤ì¤Æ¤¤¤ë¾ì¹ç
¡¡¢ Âç¸÷Åŵ¡¤Ë¾¦Éʺ߸ˤ¬¤¢¤ë¾ì¹ç¡Ê¤ªµÞ¤®¤ÎÊý¤Ï¤ªÌ䤤¹ç¤ï¤»¤¯¤À¤µ¤¤¡Ë
¡¡£ Ê¿Æü¡Ê·îÍË¡Á¶âÍË¡¦½ËÆü½ü¤¯¡Ë¤ÎÀµ¸á£±£²»þ¤Þ¤Ç¤Î¤´Ãíʸ
¡¡¤ ¤ª»ÙʧÊýË¡¤Ë¡Ú¶ä¹ÔÁ°¿¶¹þ¡Û¤ò¤´»ØÄꤤ¤¿¤À¤¡¢ÅöÆü£±£³»þ¤Þ¤Ç¤Ë¤´Æþ¶â¤ò³Îǧ¤µ¤»¤Æ¤¤¤¿¤À¤¤¤¿¾ì¹ç
¢ª ¥á¡¼¥«¡¼ÁҸˤ«¤éÅöÆü¸á¸å¤ÎȯÁ÷¤È¤Ê¤ê¡¢Ë̳¤Æ»¤ä²Æì¤Ê¤É°ìÉôÃϰè¤ò½ü¤¤¤Æ¡¢¸¶Â§Åª¤ËÍâÆüÇÛã¤È¤Ê¤ê¤Þ¤¹¡£
¤¿¤À¤·¡¢»þ´Ö»ØÄê¤ò¤ª¼õ¤±¤Ç¤¤Ê¤¤¤³¤È¤¬¤´¤¶¤¤¤Þ¤¹¡£¤½¤ÎºÝ¤ÏÆüÉÕ¤òÍ¥À褵¤»¤Æ¤¤¤¿¤À¤¤Þ¤¹¡£
Copyright(C) 2009¡Á¡¡LIGHT STYLE All rights reserved.